‹ Kembali

Pilih Kategori

‹ Kembali ke Layanan

Detail Layanan

OUTRIGGER CRANE - GROUND BEARING PRESSURE (GBP), BAGAIMANA MENGHITUNGNYA?

oleh Badaruddin kendari

Logistic Support Sr. Manager & Lifting Technical Authority

Sebagaimana yang telah kami jelaskan pada tulisan kami sebelumnya dengan judul “Lifting Operation Plan (LOP) – Perencanaan Teknik Angkat Menggunakan Crane”, salah satu point utama yang harus diverifikasi dalam penyusunan LOP adalah daya dukung tanah harus lebih besar terhadap beban dari crane agar tidak terjadi penurunan berlebih pada salah satu sisi crane. Hal yang mendasari pernyataan ini adalah ketentuan bahwa SWL (safe working load) dari load chart crane hanya berlaku apabila posisi crane relative datar terhadap permukaan tanah, sehingga apabila posisi crane miring akibat penurunan tanah berlebih saat crane beroperasi maka SWL dari crane akan menurun drastis serta dapat menyebabkan kegagalan guling (overturning) sebagaimana yang ditunjukan pada gambar berikut;

Selanjutnya pada tulisan ini akan dijelaskan bagaimana metode untuk memperhitungkan beban tekan dari outrigger crane saat dioperasikan khususnya pada point point dimana beban outriggers menerima beban maksimum. Gambar berikut menyajikan kondisi kondisi beban maksimum dan minimum tersebut sebagai referensi awal untuk melakukan perhitungan baik pada kondisi no load on hook maupun kondsi load on hook untuk berbagai konfigurasi kerja dari boom crane.

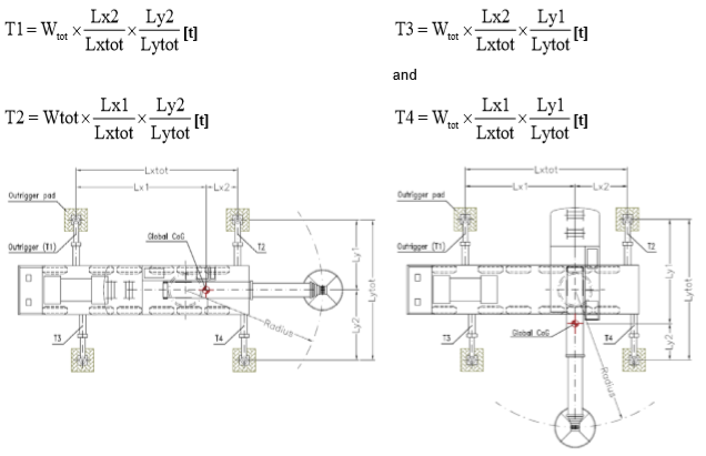
Untuk menentukan besaran beban tekan yang terjadi pada outriggers crane khususnya point point kritis yang diberi warna meraha adalah dengan menggunakan load moment, dimana secara matematis dapat dituliskan sebagai berikut serta notasi mengikuti sket pada gambar dibawah.

Berdasarkan formula yang disajikan diatas, maka hal terpenting yang harus dapat ditentukan terlebih dahulu adalah letak atau posisi center of gravity (CoG) gabungan dari crane plus beban yang hendak diangkat. Karena semua notasi jarak (Lx maupun Ly) yang ditunjukan pada formula diatas merujuk pada posisi CoG gabungan. Sementara untuk menentukan CoG gabungan maka perlu diketahui CoG dari beban yang diangkat juga crane itu sendiri. CoG dari crane ini sendiri tentunya tentunya merupakan gabungan lower car body including outriggers, upper car body, boom, A-frame, block and all accessories. CoG dari beban yang akan diangkat umumnya tersedia dengan jelas oleh manufacture pada general arrangemet drawing, sementara untuk mendapatkan CoG dari crane yang cukup sulit karena manufacturer crane umumnya tidak menyediakan ini.

Tetapi tentunya banyak jalan menuju Madinah ataupun Makkah, sehingga untuk case ini kita menggunakan metode pendekatan berbeda untuk dapat mengetahui beban tekan dari outriggers crane. Rule of thumb yang kita ketahui terkait tipping load (beban angkat yang membuat crane tipping) dari crane adalah sbb; crane buatan belanda, SWL pada load chart merupakan 66.7% dari tipping load, sementara untuk crane buatan amerika (USA) adalah 85% dari tipping load. Untuk crane buatan Germany maka SWL pada load chart merupakan 75% dari tipping load.

Dengan mengetahui rasio SWL dari load chart terhadap tipping load, maka dapat ditentukan beban tekan dari crane outriggers sesuai dengan beban yang diangkat dengan menggunakan iterpolasi linear. Sebagai contoh kita dapat menghitung beban tekan pada outriggers dari Harbour Marine Crane (HMC) product dari Liebherr (USA product) dimana rasion SWL terhadap tipping load adalah 85%.

Berdasarkan gambar diatas, pada saat crane mengangkat beban sama dengan tipping load (SWL/0.85) maka kedua outriggers yang berwarna hijau (T1&T3) = 0, sementara outrigger yang berwarna merah (T2&T4) = Wtotal/2. Penjelasan dari pernyataan ini adalah sbb;

  1. Saat crane mengangkat beban sebesar beban tipping load, maka crane akan sesaat akan tipping artinya beban tekan pada outrigger tersebut mendekati 0 ton.
  2. Sehingga semua beban (Wtotal) hany ditahan oleh dua outriggers yang berwarna merah dengan masing – masing menahan beban 50% sebab posisi boom tepat pada centerline Lytot.

Berdasarkan Load crane diatas, pada case contoh ini ditentukan radius kerja crane adalah R=20 m, sehingga kapasitas ijin crane pada mode operasi on the rope (SWL) = 60 ton. Artinya tipping load dari crane (Tload) = 60/0.85 = 70.6 ton, sementara berat dari crane sendiri adalah 241 ton (berdasarkan manufacturer data sheet) sehingga Wtotal = 311.6 ton kemudian T1, T2, T3 & T4 dapat dihitung sbb;

  1. Pada saat crane mengangkat beban = Tipping load
    • T1 = T3 = 0 ton è boundary condition sebelum tipping dimana Lx2=0 dan Lx1=Lxtotal
    • T2 = T4 = Wtotal/2 = 311.6 ton / 2 = 155.8 ton.
  2. Pada saat crane mengangkat beban = SWL pada load chart
    • Dengan menggunakan interpolasi linear maka dapat ditentukan T1,T2,T3 & T4 sbb;
    • T2 = T4 = 155.8 x SWL/Tipping Load = 155.8 x 60/70.6 = 132.43 ton
    • T1 = T2 = 155.8 ton - 132.43 ton = 23.37 ton
  3. Pada saat crane mengangkat beban < SWL pada load chart
    • Juga dengan menggunakan interpolasi linear, untuk mengangkat beban 40 ton pada radius 20 m, dimana SWL crane adalah 60 ton maka dapat ditentukan T1,T2,T3 & T4 sbb;
    • T2 = T4 = 132.43 x Actual Weight/SWL = 132.43 x 40/60= 88.28 ton
    • T1 = T2 = 155.8 ton – 88.28 ton = 67.51 ton

Setelah beban maksimum (Tmaksimum) pada outriggers crane ditentukan, maka step selanjutnya adalah menentukan beban tekan maksimum (qmaks) pada permukaan tanah atau struktur lantai dimana crane tersebut dioperasikan. Beban tekan maksimum = Tmaksimum / Area, dimana area merupakan luas permukaan tapak dari outriggers crane. Pada case ini, berdasarkan gambar 5 diatas nilai A = 5.5 x 1.3 = 7.15 m2. Sehingga qmaks=Tmaks/A = 88.3ton/7.15m2 =12.4 t/m2.

Kontrol selanjutnya adalah memastikan nilai qmax harus lebih kecil dari daya dukung ijin tanah dimana crane diposisikan atau daya dukung ijin lantai struktur jetty apabila crane beroperasi diatas jetty. Nilai dari daya dukung ijin dari dikonsultasikan dengan civil engineer atau structure engineer in charge pada aktifitas tersebut . Jika nilai qmaks masih lebih besar dari daya dukung ijin, maka salah satu cara untuk mengatisipasinya adalah dengan memasang pad tambahan dibawah outrigger dengan luasan yang lebih besar.

Catatan; sumber dari gambar gambar yang digunakan pada tulisan diatas dari ambil dari sejumlah situs internet.